东莞SEIMEC西米克刹车电机 西米克HFF刹车电机价格厂家
意大利进口SEIMEC特点:停车制动性能特强;尾部制动装置可手动释放;高、定位准确、适用于往复运转、瞬间停止,防止滑行偏差等机械中UL CSA TUV CE认证;IP55 保护,Class F绝缘;高性能防护等级:所有西米克电机均采用IP55防护等级进行设计,他们可用与户外或者含尘潮湿的环境中,用户不需要增加额外装置不影响正常使用。并且还可按照用户要求提供更高的防护等级;提高绝缘性能,增加了电机使用寿命:所有标准电机均采用F级绝缘系统,并按照B级绝缘进行考核,增加了电机运行的可靠性,提高了电机寿命,并可按照用户要求提供更高的绝缘等级;优良的转子加工工艺:每个转子加工完成后,都会做好妥善防护,并刷涂防护涂料。
意大利进口SEIMEC参数:额定电压:380(V);额定功率:1.5;规格:HFF、HFZ、HFV;品牌:西米克刹车电机;产品类型:三相异步电动机;极数:4极 备有 2 POLE, 4 POLE, 6 POLE,产品认证:CE 额定转速:1450(rpm);型号:HFF63B4B3,HFF71B4B3,HFF80B4B3、HFF90S4B3、HFF90L4B3、HFF100LA4B3、HFF112M4B3、HFF132L4B3 HFF160M4B3
HFF63B4B5、HFF71B4B5、HFF80B4B5、HFF90S4B5、HFF90L4B5、HFF100LA4B5、HFF112M4B5、HFF132L4B5、HFF160L4B5;极数:备有 2 POLE, 4 POLE, 6 POLE,频率:50HZ, 60HZ;卧式、立式, 功率 0.37kW ~ 15kW;主要市场:超声波清洗机工程,陶瓷机械,电镀机械,PCB电路板机械,木工机械,环保设备,UV机,纸箱,包装 印染机械等;频率 : 50HZ, 60HZ;卧式、立式,大小接线盒皆有供应。 零件充份供应,换件无虑。入电 220 V AC单相 / 220V/415V;功率 0.37kW ~ 15kW。
SEIMEC西米克HFF刹车电机尺寸图纸:
SEIMEC西米克HFV刹车电机尺寸图纸:

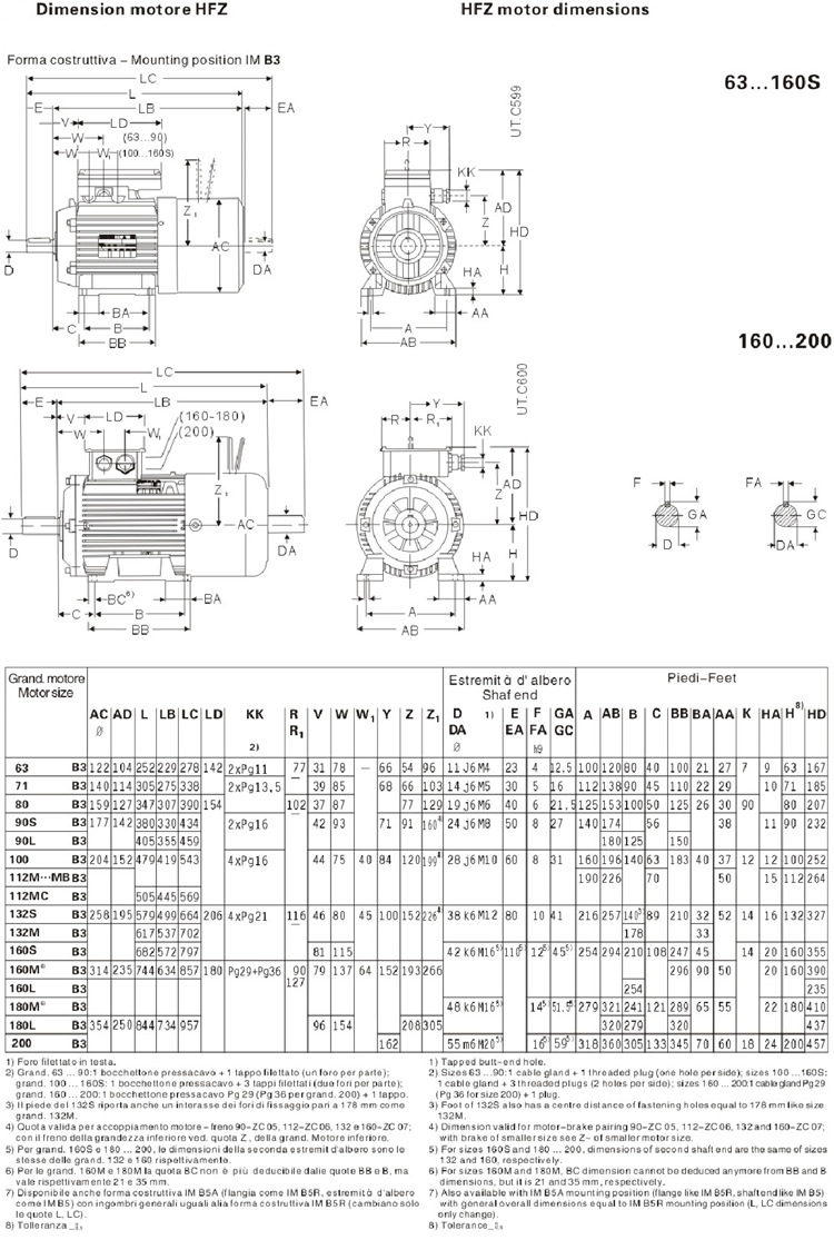
SEIMEC西米克HFZ刹车电机尺寸图纸:

此意大利SEIMEC刹车电机由东莞市祥如机电设备有限公司合作销售,以下是公司介绍:东莞市祥如机电设备有限公司简称“祥如机电”是德国VEMTE传动中国唯一制造加工厂家。VEMTE源自德国著名机电公司VEM集团股份有限公司,于1976年成立,产品以其可靠性和稳定性而著称,VEMTE减速机是全球十大品牌之一,为拓展海外市场战略,于2006年正式进驻中国,VEMTE公司主要产品:减速机,刹车电机及变频器等系列产品,主要服务于机械制造,节能环保,新能源等多领域,产品广泛应用于空气压缩机,陶瓷,纺织,造纸,制药,机床,建材,矿山,风力发电,起重,船舶等行业。VEMTE致力打造好节能环保的电机,减速机及工控自动化系列产品。
由于对客户需求的及时把握使VEMTE产品一直保持创新性与灵活性,先进的产品开发理念,全面的产品研发测试与自动化,信息化的作业制造加工,保证了VEMTE产品的高可靠和高性能。分布在全球各地办事处,售后服务中心,联保中心的专业技术支持团队为用户提供解决方案,技术培训与服务支持保障,旨在更好地表明VEMTE对产品品质精益求精的苛求,以衣为客户创造好大价值的不断追求。VEMTE专业专注打造好可靠,好稳定的节能产品。

