
R107减速机基本版型:底脚安装斜齿轮减速机;底脚安装单级斜齿轮减速机;法兰安装单级斜齿轮减速机;法兰立式安装斜齿轮减速机;法兰卧式安装斜齿轮减速机;法兰安装斜齿轮减速机。R107减速机输入版型:直联电机输入;法兰输入;轴输入


R107减速机主要材料:1.箱体:HT250高强度铸铁,射型内腔,有效减少零件磨损;2.齿轮:20CrMo优质合金钢,碳氮共渗处理(精磨后保持齿面硬度HRC60);3.平键:45钢,表面硬度HRC50。

R107减速机效率:1.采用了高精度齿轮、油封、轴承,有效降低了摩擦,齿轮传动的级间小路可达97%;2.在某些安装方式时,输入级齿轮完全浸再润滑油中,对于大机座号和高输入转速的情况,须考虑搅油损失。

R107减速机使用条件:1.环境温度-40至50°C(0°C以下启动时润滑油需加热到0°C以上或采用防冻润滑油);2.输入转速不大于2800转/分;3.可用于正反转;4.无行业限制。
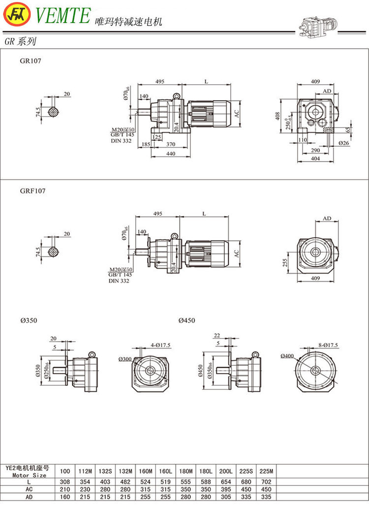
R107减速机尺寸图纸:

R系列减速机还有以下型号,点击链接查看:http://www.vemte.com/rxiliejiansuji.html
RX57减速机、RX67减速机、RX77减速机、RX87减速机、RX97减速机、RX107减速机、RXF57减速机、RXF67减速机、RXF77减速机、RXF87减速机、RXF97减速机、RXF107减速机、R07减速机、R17减速机、R27减速机、R37减速机、R47减速机、R57减速机、R67减速机、R77减速机、R77减速机、R87减速机、R97减速机、R107减速机、R137减速机、R147减速机、R167减速机、RF07减速机、RF17减速机、RF27减速机、RF37减速机、RF47减速机、RF57减速机、RF67减速机、RF77减速机、RF87减速机、RF97减速机、RF107减速机、RF137减速机、RF147减速机、RF167减速机、R07F减速机、R17F减速机、R27F减速机、R37F减速机、R47F减速机、R57F减速机、R67F减速机、R77F减速机、R77F减速机、R87F减速机、R97F减速机、R107F减速机、R137F减速机、R147F减速机、R167F减速机、同时还可以跟F系列减速机,K系列减速机,S系列减速机的任意型号组合



